Saltar al contenido

Mantenimiento Preventivo de robots industriales

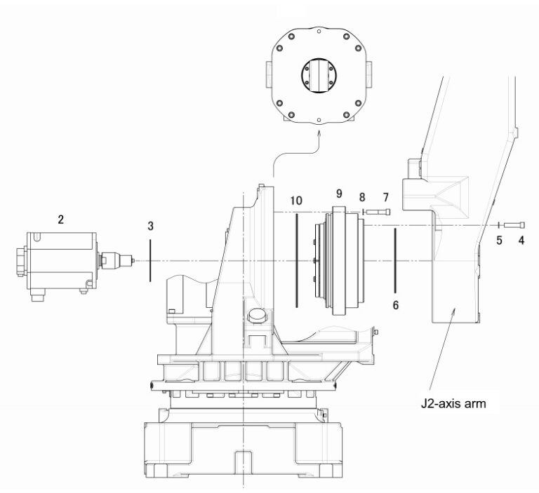
Mantenimiento preventivo de robots industriales FANUC
El mantenimiento preventivo es esencial para que los robots industriales funcionen de forma correcta y se alargue su vida útil, minimizando los tiempos de reparación de averías y el gasto en repuestos. 
Los robots, como cualquier máquina, pueden desarrollar una serie de problemas, incluyendo el desgaste y la perdida de la alineación de sus componentes, que sin un mantenimiento adecuado pueden tener un efecto negativo en la calidad de la producción y provocar averías y tiempos de parada no programados.
Robotica21 Mantenimiento preventivo de robots
Muchos departamentos de mantenimiento de empresas no son lo suficientemente grandes como para realizar ellos mismos el propio mantenimiento preventivo.
Los fabricantes de robots industriales recomiendan realizar un mantenimiento preventivo a partir de 5.000 horas de funcionamiento o un año de vida del robot.
ROBOTICA21 puede realizar el mantenimiento periódico de sus robots industriales FANUC y KAWASAKI y ofrecer un servicio post-venta cualificado avalado por mas de 24 años de experiencia con ambos fabricantes.
Mantenimiento preventivo de robots Fanuc
Realizamos listas de verificación para garantizar que cada robot cumple con los estándares de mantenimiento especificados.
La confianza de nuestros clientes es nuestro mayor valor. Es por eso que el equipo de servicio post-venta de ROBOTICA21 es transparente sobre lo que sucede con su robot y trabaja con usted para encontrar la solución más sencilla y económica.
Mantenimiento preventivo de robots KAWASAKI
Mantenimiento de Robots Kawasaki
Intentamos resolver los problemas de forma remota: es un servicio gratuito para todos nuestros clientes. Si el problema debe resolverse en persona, un miembro del equipo de servicio altamente capacitado y experimentado se trasladara sus instalaciones
La grasa y los lubricantes para robots desempeñan un papel fundamental a la hora de optimizar el rendimiento de los robots industriales. 
Su capacidad para extender la vida útil de los componentes mecánicos, mejorar la precisión, reducir los costos de mantenimiento, mejorar la eficiencia energética y mejorar la seguridad los convierte a los lubricantes en un activo valioso en cualquier proceso de automatización. 
Mantenimiento preventivo de robots Fanuc
Invertir en lubricantes de alta calidad puede generar ahorros de costos a corto plazo.
Los lubricantes para robótica industrial son conocidos por su durabilidad y resistencia a condiciones de calor, frío y fatiga extremas, lo que reduce la necesidad de rellenados y mantenimientos frecuentes.
Con el tiempo esto representa menos paradas de su producción y menor coste de mano de obra y materiales.
Mantenimiento Preventivo de robots industriales Fanuc